Android MCU Prototype Simulator (бесплатно)
Симулятор MCU для ОС Android запускает код языка сборки, аналогичный 68705 MCU на моделируемой плате прототипа на экране. Отлично подходит для встроенных приложений, студентов, учителей или тех, кто любит экспериментировать с микроконтроллерами и электронными прототипами. Это весело и для изучения языка собрания!
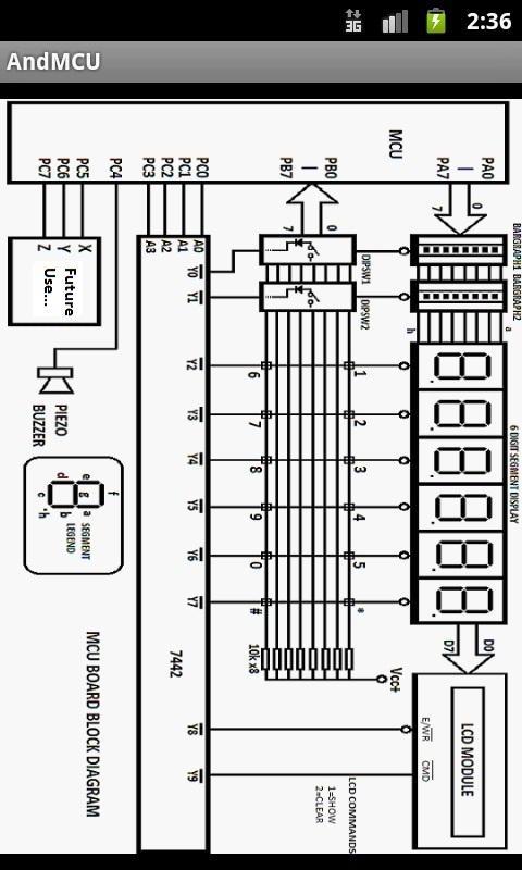
И MCU моделирует как программное обеспечение, так и аппаратное обеспечение. Как и на реальной плате прототипа, ваш код ASM должен настроить порты ввода-вывода MCU для управления подключенным к нему оборудованием, таким как освещение сегментов на цифрах или чтение клавишных клавиш с клавиатуры или переключателей.
Вы можете использовать простой встроенный текстовый редактор или любой текстовый редактор Android по вашему выбору, чтобы написать код сборки, а затем загрузить его в AndMCU для его запуска.
Встроенный ассемблер имеет много полезных директив, таких как пошаговый режим трассировки, точки разрыва, содержимое сбрасывания памяти в HTML-файл, регулировка скорости процессора и автоматическое управление загруженным кодом. Он поддерживает следующие Opcodes (подмножество набора инструкций 68705 MCU):
Nop, CLC, CLI, SEC, SEI, STOP, SWI, налог, TXA, LDA, LDX, STA, STX, ADD, ADC, CLR, CLRA, CLRX, DEC, DECA, DECX, Inc, Inca, Incx, Sub, SBC,
И, CMP, COM, COMA, COMX, CPX, EOR, LSL, LSLA, LSLX, LSR, LSRA, LSRX,
Neg, Nega, Ora, ROL, ROLA, ROR, RORA, TST, TSTA, BRA, BSR, BCC, BCS,
BEQ, BNE, BHI, BLO, BLS, JMP, JSR, RTS, RTI, BCLR, BSET.
Плата AndMCU имитирует следующие аппаратные компоненты:
1) 8-битный процессор с 3X 8-битными двунаправленными портами.
2) 6 цифр дисплей
3) ЖК-дисплей 16-символов
4) 2x 8-битные DIP-переключатели
5) 2x8 Светодиодные дисплеи барграфа
6) 12-ключ-клавиатура
7) 1 пьезо зуммер
8) Внешние прерывания таймера и программного обеспечения
9) 1 аналоговый вход (датчик света).
* Работает по разрешению экрана до 1080 x 1920 (Full-HD).
(Это не быстрый эмулятор процессора - это симулятор для образовательных целей. См. Документацию на веб -сайте Andmcu для получения более подробной информации.)
Это версия AndMCU (бесплатно).
Если вам нравится это приложение, пожалуйста, поддержите дальнейшую разработку, приобретая версию без рекламы на рынке Google Play. Версия без рекламы также позволяет прокрутить флик для встроенного редактора.
Интернет-выполнение: включен для поддержки рекламы (Admob).